RPG Tuition
Bespoke Online Tuition in Mathematics, Music and Computer Science
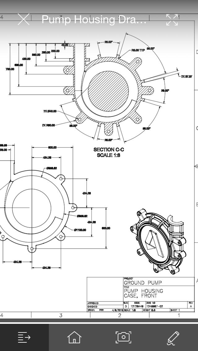
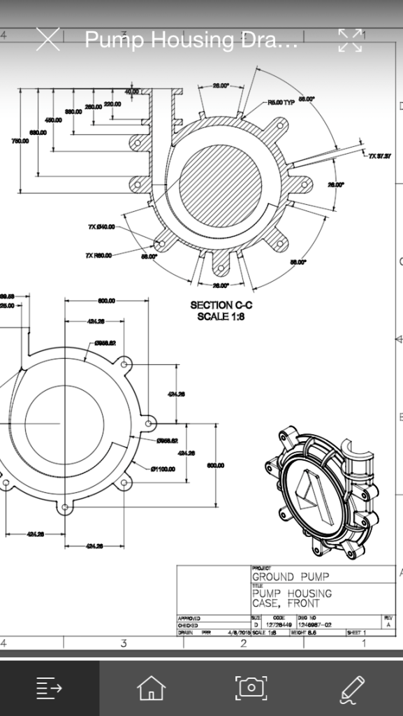
An Engineering Drawing my Students can download from the cloud
Δ